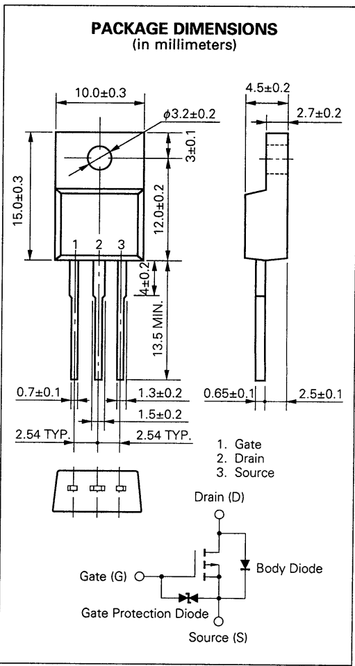
Overview Product Description J330.pdf Product Videos Custom Field Product Reviews Write a Review Write a Review × NEC J330_2SJ330 ; Transistor P-MOSFET 60V 20A 35W 40mΩ, TO-220F Rating * Select Rating 1 star (worst) 2 stars 3 stars (average) 4 stars 5 stars (best) Name Email * Review Subject * Comments *