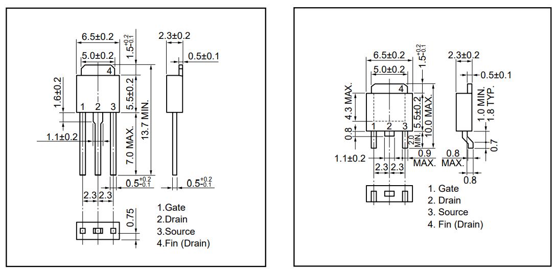
Overview Product Description J601.pdf Product Videos Custom Field Product Reviews Write a Review Write a Review × NEC J601_2SJ601 ; Transistor P-MOSFET 60V 36A 65W 25mΩ, TO-251 Rating * Select Rating 1 star (worst) 2 stars 3 stars (average) 4 stars 5 stars (best) Name Email * Review Subject * Comments *