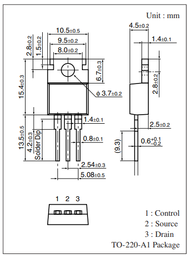
Overview Product Description MIP3E7N.pdf Product Videos Custom Field Product Reviews Write a Review Write a Review × MIP3E7NMY ; IC SMPS, TO-220 Rating * Select Rating 1 star (worst) 2 stars 3 stars (average) 4 stars 5 stars (best) Name Email * Review Subject * Comments *